Паровой увлажнитель воздуха SIH
Умное решение, экономия энергии.

Умное и энергоэффективное использование пара под давлением из имеющихся паровых сетей для увлажнения воздуха.
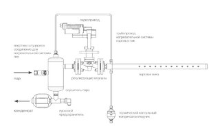
Во многих сооружениях и на производственных участках пар под давлением используется для стандартных производственных процессов и задач. Паровой увлажнитель воздуха SIH (Steam Injection Humidifier) от HygroMatik подключается к имеющейся паровой сети и позволяет использовать пар под давлением для увлажнения воздуха, снижая энергозатраты. Среди наиболее распространённых областей применения —
- больницы,
- лабораторные и чистые помещения,
- фармацевтические предприятия,
- химические предприятия,
- предприятия пищевой промышленности,
- электростанции
- и мн. др.
Везде, где пар под давлением уже имеется в достаточном количестве, он может использоваться для увлажнения воздуха путём умной интеграции парового увлажнителя воздуха SIH в эксплуатируемые или новые инженерные коммуникации и системы кондиционирования. Влажность воздуха — решающий фактор здорового климата в помещении. Кроме того, возможность регулирования влажности воздуха играет важную роль в управлении точными процессами и в оптимизации качества продукции. Паровой увлажнитель воздуха SIH от HygroMatik обеспечивает увлажнение насыщенным паром без конденсата, позволяя формировать короткие участки увлажнения и экономить место при монтаже.