Druckdampfbefeuchter SIH
Intelligent und energieeffizient

Druckdampf aus bauseitig vorhandenen Dampfnetzen intelligent und energieeffizient zur Luftbefeuchtung nutzen
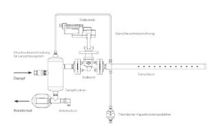
In vielen Einrichtungen und industriellen Produktionsbereichen wird Druckdampf für betriebsübliche Prozesse und Anwendungen verwendet. Der HygroMatik Druckdampfbefeuchter SIH (Steam Injection Humidifier) wird an ein vorhandenes Dampfnetz angeschlossen und macht den Druckdampf so energieeffizient für die Luftbefeuchtung nutzbar. Typische Anwendungsbereiche sind z. B.
- Krankenhäuser
- Labor- und Reinräume
- Pharma
- Chemie
- Lebensmittel
- Kraftwerke
- u. v. m.
Überall dort, wo bereits Druckdampf in ausreichender Menge zur Verfügung steht, kann dieser durch eine intelligente Integration des HygroMatik Druckdampfbefeuchters SIH in bestehende oder neu zu bauende Gebäude- und Klimasysteme zur Luftbefeuchtung genutzt werden. Die Luftfeuchte ist ein entscheidender Faktor für ein gesundes Raumklima. Außerdem spielt bei der Steuerung von sensiblen Prozessen und der Optimierung der Produktqualität die Regelbarkeit der Luftfeuchte eine wichtige Rolle. Der HygroMatik Druckdampfbefeuchter SIH befeuchtet mit kondensatfreiem Sattdampf und ermöglicht kurze Befeuchtungsstrecken für eine platzsparende Installation.